スマートモニターを使っていると「スマートモニターだけ点けたい」っていうときありませんか?
バイクの場合キーオンで強制的にヘッドライトまで点いてしまうのでバッテリー上がりも気になります。
駐車場でずっとライト点けてたら周りにも迷惑ですしね。
そこでスマートモニター単体で電源を入れられるようスイッチを追加しました!
ただ単に「常時電源+片切りスイッチ」だと毎回キーとは別にスイッチを操作する必要があるため、今回は自己保持回路でキーオン(ACC)と連動させることにしました!
▼動作の目標
キーとは別に毎回スイッチを操作するはメンドクサイので、下記の動作を目標にします。
- 増設したスイッチを押下でスマートモニターのみをオン
- ACCオン(キーオン)でもスマートモニターをオン
- ACCオフ(キーオフ)でスマートモニターをオフ(増設スイッチの操作なし)
上記の動作はリレーを使って自己保持回路を組むことで実現できました!
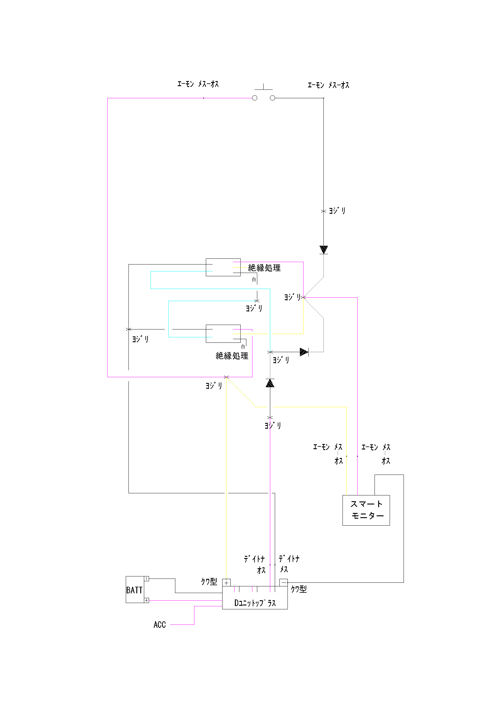
▼回路
下記の回路で問題なく上記の動作を実現することができました!
(初めて自己保持回路を考えたので上手い人が考えればもっときれいに組めるかも)
常時電源系統を赤色、ACC系統を水色と色分けしています。
電気の流れ
【モーメンタリスイッチを押下】
【ACCオン】
切る時はACCオフ(キーオフ)で切れます!
▼施工
上記の回路図をもとに実際の施工ベースで図面を作りました。
繋ぎ間違えて電気系統を壊したら大変ですからね!
配線の色も実際の色に合わせてあります。
たー坊はデイトナのDユニットプラスを使っているのでそこから配線しました。
ギボシは基本エーモンのものを使っていますがデイトナのDユニットはCA/CB103というエーモンより小さいサイズなのでここだけデイトナのギボシを使っています。
配線とリレーはタンク下の隙間に押し込みました。
ギボシをたくさん使うと意外と嵩張ってタンク下に収まらなくなるので、取り外ししなさそうな部分は配線をネジネジしてアセテートテープで保護しときました。
下の図のように配線を同じ向きに並べて折り返してネジネジすれば多少引っ張りに強くなります。
スイッチはAmazonで売ってた防水のモーメンタリスイッチを使用。
スイッチのブラケットはエーモンのもので車体フレームに結束バンドで固定しました。
フレームが傷つかないようブラケットとの間に1mmの粘着付きゴムシートを挟みました。
※誤ってスイッチを押してしまうとバッテリー上がりの原因になるので、取り回しやバイクカバーの脱着で押してしまわない位置に取り付けましょう!
▼完成!
計画通りスマートモニター単体でオン、キーオフで連動してオフという動作を実現できました!
スマートモニターは電源を入れた時にDFSという電波干渉を避ける動作(電波干渉しないチャンネルを探す)で1分間待機しなきゃいけないので、バイクの横に来たらまずスイッチを押してからヘルメットを被ったりしています。
準備が完了した頃にはDFSが終わってすぐにナビを設定できます!
動作の様子を動画にとって見ました!
YouTubeショート:自己保持回路でスマートモニターをオン
バイクDIYをしたい方はぜひ挑戦してみてください!
こんな方におすすめ
- バイクのヘッドライトを付けずにスマートモニターを操作したい方
- バイクに何かしらDIYをしたい方
作業中に「ギボシが足りない!』ということがよく起こるので、あらかじめ大容量パックを購入しておくことをおすすめします!






